viasofts.es logo

Fully Closed Dry Cleaning Machine

  • Multi solvent dry-cleaning machine is fully closed environmentally friendly machine, which can use lots of solvents such as hydrocarbon, silicon based chemicals, K4, etc.
  • This model machine achievesinternational advanced 2-stage distillation technology to realize the fast recollection.
  • Multi-protection system such as distillation overheat automatic protection device, foam automatic control device, 4 pressure control system, safety lock, nitrogen safe injection system ensures safety and reliability in the whole working process.
  • All the parts touching with solvent are all made of high-quality grade stainless steel, which can ensure the long life span and low maintenance cost.
  • European standard anti-leakage base prevents solvent leaking to the laundry and underground water, environmentally friendly, economic,safe and reliable.

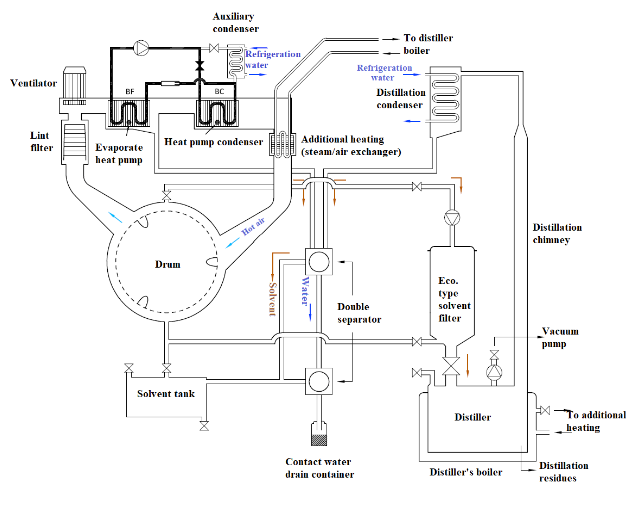
Machine diagram

Machine diagram

Product Details

High quality recycles cooling system, efficient recovery of solvents, reducing pollution, saving solvent. 

Microcomputer-controlled,fully automatic, large LCD-display,easily understandable.   

Three bottom tanks, separate clean, dirty, and working solvent, avoid mixing solvent, protect the machine and save solvent. 

The centrifugal filter removes impurities, particles, pigment, ensure clean solvent, avoid dyeing, blockage.  

Drum in stainless steel, non-ferrous metals stamping with mold crafted, high-temperature galvanizing technology,strong and nice.  

High-speed fan, speed up the drying and cooling rate.  

Safety door interlock system,protect operator.